产品描述 一、PWM脉冲调宽信号隔离转换为标准4-20mA/0-20mA/0-5V/0-10V模拟信号: ISO D-P-O-Q系列 SunYuan ISO D-P-O-Q系列产品是顺源新开发的业界领先技术小体积(SIP12 Pin)低成本PWM脉冲调宽信号隔离变送器IC。可以将单片机、PLC/DCS、仪器仪表输出PWM方波信号的占空比经隔离转换为标准4-20mA/0-10V模拟信号,实现单片机PWM信号的隔离放大和显示控制功能。
SunYuan ISO D-P-O-Q在同一模块内集成了多路高隔离DC/DC电源、模拟放大与变换电路、PWM信号隔离控制电路等,特别适用于工业现场PWM信号的DA还原隔离变送,单片机、现场总线、以太网物联网、PLC/DCS上位机对多路传感器信号采集和分析。内部集成高效率DC-DC隔离电源,分别给内部的输出调理电路、DA转换电路和输出信号隔离电路供电。 SMD工艺结构及新技术隔离措施使该器件能达到辅助电源与PWM信号输入、模拟信号输出的3000VDC三隔离。并能满足工业级宽温度、潮湿、震动的现场恶劣工作环境要求。
SunYuan ISO D-P-O-Q系列产品使用非常方便,无需外接任何元件即可实现PWM信号与模拟信号的隔离变送功能。12脚单列直插的超小体积(33.0X15.5X10.5mm)及标准PCB板上安装设计,有效简化用户系统设计方案选择,降低体积和布线成本。产品有PCB板上安装的IC封装、DIN35标准导轨安装和PIM面板显示嵌入式安装方式。DIN导轨式安装方式可实现信号一进一出、一进二出隔离传输功能。 PIM 面板嵌入式智能化变送表可实现传感器模拟信号隔离显示、报警控制及远距离无失真传输等多种功能。 广泛应用在冶金采矿、石油化工、电力设备、医疗仪器、工业自动化、新能源设施及军工科研等领域,用户可根据现场需要选择合适产品。
备注 1, 用户对产品电压信号或电流信号的输出带负载能力有要求的,可以按技术要求定制。 2, 用户选用PCB板安装的IC封装产品,现场信号输入幅值是24V(高电平)的,请将输入幅值分压为5V幅值再接入产品,避免影响产品使用或造成损坏。 3, 用户选用DIN35或者DIN3导轨安装的产品,现场信号输入幅值(高电平)是24V的,下单时请特别注明信号幅值为24V,我们将分压电路安装在产品内部出厂。
产品特点 ● PWM转4-20mA/0-10V模拟信号分辨灵敏、响应速度快 ● 全量程内极高的线性度(非线性度<0.2%) ● 辅助电源与信号输入、输出3000VDC三隔离 ● 辅助电源:5V、12V、15V或24V直流单电源供电 ● 低成本超小体积,SIP-12符合UL94V-0标准阻燃封装 ● 较强的抗EMC电磁干扰和高频信号空间干扰特性 ● 工业级温度范围: - 40 ~ + 85 ℃
典型应用 ● PWM信号变送、隔离、长线传输 ● PWM信号转换成模拟量进行线性精密控制 ● 单片机PWM信号转换成模拟信号 ● 工业现场PLC控制和变频器控制 ● 地线环流干扰抑制 ● 工业锅炉炉温的自动选择控制 ● PWM构建DA转换器、变送器
产品选型举例 例1: 信号输入:20KHz 方波; 信号输出:4-20mA;100mSec的响应时间; 辅助电源:24V。 对应产品型号: ISO D5-P1-O1-Q1
例2: 信号输入:50Hz 方波; 信号输出:0-5V; 3Sec的响应时间; 辅助电源:12V。 对应产品型号: ISO D1-P2-O4-Q3
详细技术资料:http://www.sun-yuan.com/download/html/DownDetail_51.html 
典型应用
应用1:将传感器、变送器输出的4-20mA/0-10V模拟信号,经ISO U-P-D-Q模块隔离转换成PWM信号。通过ISO CAN模块进行远程无失真传输,再由ISO D-P-O-Q模块还原为4-20mA/0-5V模拟信号进行线性精密控制。
DIN35导轨安装产品典型应用

DIN35导轨安装产品应用:将传感器、变送器输出的4-20mA/0-10V模拟信号,经DIN1X1 ISO U-P-D-Q模块隔离转换成PWM信号。通过ISO CAN模块进行远程无失真传输,再由DIN1X1 ISO D-P-O-Q模块还原为4-20mA/0-5V模拟信号进行线性精密控制。

二、4-20mA/0-10V模拟信号隔离转换为PWM脉冲调宽信号: ISO U/A-P-D-Q系列
SunYuan ISO U(A)-P-D-Q系列产品是顺源新开发的业界领先技术小体积(SIP12 Pin)低成本可编程控制型隔离变送器。可以将传感器、仪器仪表、变送器输出的模拟信号隔离放大、AD转换为PWM方波信号,并实现脉冲频率控制可编程输出。传感器、变送器、仪器仪表及控制设备嵌入安装该IC后能立即与PC机、PLC/DCS组成以太网/物联网、RS232总线网络并联网通讯,将现场传统控制设备升级为工控智能化设备,方便用户远程监控。
SunYuan ISO U(A)-P-D-Q在同一模块内集成了多路高隔离DC/DC电源、模拟放大与变换电路、可编程MCU、信号隔离控制电路等,特别适用于工业现场模拟信号的AD隔离变送,现场总线、以太网物联网、PLC/DCS上位机对多路传感器信号采集和分析。内部集成的高效率DC-DC隔离电源,分别给内部的输入调理电路、微型单片机AD转换电路和输出信号隔离电路供电。 SMD工艺结构及新技术隔离措施使该器件能达到:辅助电源与模拟信号输入、PWM信号输出的2500VAC三隔离,输入信号与通讯串口共地。并且能满足工业级宽温度、潮湿、震动的现场恶劣工作环境要求。
SunYuan ISO U(A)-P-D-Q系列产品使用非常方便,无需外接任何元件即可实现模拟信号与PWM信号的隔离变送功能。12脚单列直插的超小体积(33.0X15.5X10.5mm)及标准PCB板上安装设计,有效简化用户系统设计方案选择,降低体积和布线成本。产品有PCB板上安装的IC封装、DIN35标准导轨安装和PIM面板显示嵌入式安装方式。 DIN导轨式安装方式可实现信号一进一出隔离传输功能。 PIM 面板嵌入式智能化变送表可实现传感器模拟信号隔离显示、报警控制及远距离无失真传输等多种功能。 广泛应用在冶金采矿、石油化工、电力设备、医疗仪器、工业自动化、新能源设施及军工科研等领域,用户可根据现场需要选择合适产品。 产品特点 ● 4-20mA/0-10V转PWM信号分辨灵敏、响应速度快 ● 全量程内极高的线性度(非线性度<0.5%) ● 辅助电源与信号输入、输出2500VAC三隔离 ● 辅助电源:5V、12V、15V或24V直流单电源供电 ● 低成本超小体积,SIP-12符合UL94V-0标准阻燃封装 ● 较强的抗EMC电磁干扰和高频信号空间干扰特性 ● 工业级温度范围: - 40 ~ + 85 ℃
典型应用 ● 模拟量信号变送、隔离、长线传输 ● 工业现场PLC控制和变频器控制 ● 工业现场电机控制和灯光调节控制 ● 地线干扰抑制 ● 工业锅炉炉温的自动选择控制 ● PWM构建AD变换器 详细技术资料: http://www.sun-yuan.com/download/html/DownDetail_168.html
产品选型举例 例1: 信号输入:0-5V; 信号输出:5KHz方波;100mSec的响应时间; 辅助电源:24VDC; 对应产品型号: ISO U1-P1-D3-Q01
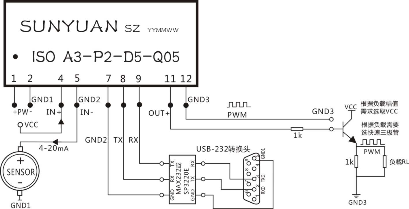
例2: 信号输入:0-20mA;信号输出:25KHz方波; 500mSec响应时间;辅助电源:12VDC; 对应产品型号: ISO A3-P2-D5-Q05
典型应用接线图


备注: IC模块通讯口出来的电平是3.3V的TTL电平,如果客户手上没有USB转TTL(3.3V)电平转换头,只有USB转232线或者232转232线,那么客户使用我们的IC模块的时候,必须另外加电平转换芯片MAX232或者SP3220E,把IC模块的TTL电平转为232电平(15V)再接到转换头上。示意图如下:
 应用1:电流放大器来增强PWM 驱动带载能力。 IC模块本身输出的PWM信号幅值为5V,电流驱动能力为100mA。 如果客户想改变幅值或者扩大电流驱动能力,可以自行外接功率放大电路进行放大,参考电路如下(只供参考):
应用2:将传感器、变送器输出的模拟信号隔离转换成PWM信号,用CAN总线模块进行远程无失真传输。
应用3:将传感器、变送器输出的模拟信号隔离转换成PWM信号,用来调控直流电机转速。
 应用4:将传感器、变送器输出的模拟信号经过ISO U-P-D-Q隔离转换成PWM信号,通过ISO CAN模块进行远程传输,再通过ISO D-P-O-Q还原为模拟信号。 
上位机通讯功能 ISO U(A)-P-D-Q系列IC具备与上位机通讯功能,通讯连接线:USB转TTL(3.3V)电平线(该转换线市面上可以购买),客户使用时将IC脚位TX,RX,GND2分别与USB线的RX,TX,GND连接,利用串口调试助手可以读取ADC转换后的二进制值和占空比数值方便客户对数据进行分析。串口调试助手设置为:波特率19200bps,无校验位,8位数据位,1位停止位,如图所示:
 
|